

☆ ±0.25、±0.5%F.S
☆ 可做成OEM
☆ 可做成很小的量程
☆ 多种压力量程和信号输出
☆ 投入式和螺纹安装式
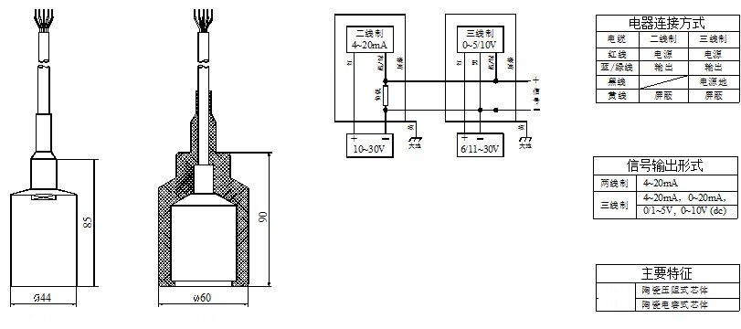
☆ 无极性二线制电流输出
☆ 交、直流二用电压输出
☆ 两线制引线无极性
应 用
☆强腐蚀液位测量
☆贵重液体液位
☆带有腐蚀的介质
☆化学实验
产品说明
XB-PTC144系列压力变送器是一款以陶瓷芯体为敏感元件的高可靠、高稳定性、高精度的液位变送器。主要用于测量强腐蚀性液体和气体的液位或压力。
该产品采用钛合金+聚四氟乙烯外壳,陶瓷芯体选用国际著名品牌,程控变送器转换电路,能方便的对其零点和满程进行校准和牵移。

技术参数
| 常规 | 数 值 | 备 注 | ||
| 压力量程 | 0~0.5……50mH2O | 1mH2O≈9.81kPa | ||
| 过载压力 | 1.5倍额定压力 | |||
| 破坏压力 | 3倍额定压力 | |||
| 精 度 | ±0.25%F.S,±0.5%F.S,±1.0%F.S | |||
| 稳 定 性 | 典型值:±0.25%F.S, 最大值:±0.5%F.S | |||
| 使用温度 | -20℃~80℃ (可订制-20℃~120℃ ) | |||
| 补偿温度 | -10℃~70℃ (可进行全温区数字式补偿 ) | |||
| 介质兼容性 | 与陶瓷和聚四氟乙烯相兼容的所有腐蚀性介质 | |||
| 电器性能 | 二线制 | 三线制 | ||
| 输出信号 | 4~20mA | 0/1~5V | 0~10V | |
| 供电电源 | 10~30Vdc | 6~24Vdc/ac | 11~30Vdc/ac | Vdc/ac意为交直流两用 |
| 负载电阻 | (U-10)/0.02(Ω) | >100kΩ | ||
| 绝 缘 | >100M Ω@50V | |||
| 电器强度 | 500V@60 second | |||
| 振动/冲击 | 10g/5~2000Hz, axes X/Y/Z 20g sine 11ms | |||
| 电器连接 | 6级密封,防护IP68 | |||
| 结构形式 | T=投入式, | |||
| 响应时间 | 10ms | |||
| 压力形式 | 表压G, | |||
| 认证项目 | 本安防爆、隔离防爆认证,欧盟电器安全标准CE | |||
| 电磁兼容性 | 电磁放射:EN50081-1/-2;电磁灵敏度:EN50082-2 | |||
| 防 雷 击 | 空气传导耐压8000V,外壳、电缆传导耐压4000V | |||